200V MOS管,這種功率MOSFET是飛虹電子優質產品中的一個常見產品。這款FHP640場效應管具有低電荷、低反向傳輸電容、開關速度快的特點。
在實際應用中是比較多用于:DC-AC電源轉換器,DC-DC電源轉換器,高壓H橋PMW馬達驅動的場景電路中。
這一款200V 的飛虹電子FHP640 MOS管為什么值得電子工程師來使用呢?
三個原因回答您的疑問:
1、飛虹電子專注MOS管制造19年,是國內優質的MOS管制造廠商;
2、擁有自身的核心專利技術,是國產化替代使用的好產品;
3、在互聯網各大平臺均有對應推薦使用的文章;
【200V MOS管 FHP640場效應管參數:極限值 (TC=25℃)】

漏-源電壓:200V
漏極直流電流:18A
漏極直流電流@TC=100℃:11.4A
最大脈沖漏極電流:72A
柵-源電壓:±30V
耗散功率:139W
超過25℃時的降額因子:1.11W/℃
結溫和存儲溫度:150,FHP640場效應管-55~150 ℃
最高焊接溫度:300℃
單脈沖雪崩擊穿能量:250mJ
重復脈沖雪崩擊穿能量:13.9 mJ
雪崩電流: 18 A
二極管反向恢復峰值dv/dt:5.5 V/ns
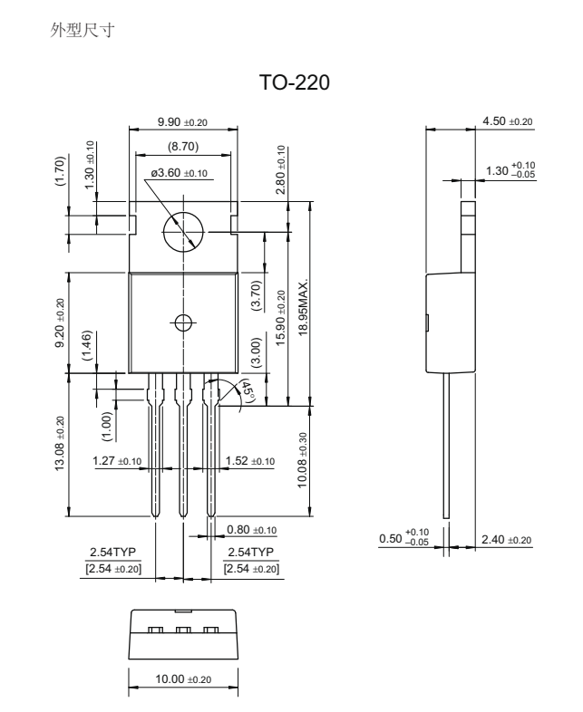
該200V MOS管使用的封裝形式是TO-220,目前在使用上面可替代IR場效應管品牌型號:IRF640。
200V 18A的MOS管替換使用,選對型號很重要。飛虹半導體的MOS管已經廣泛應用于電源電路、智能家居、新能源電子領域:如汽車電子、電瓶車、智能音響、家用電器、LED照明、充電器、電腦電源等行業,FHP640場效應管為國內的電子產品廠家提供了優質的產品以及配套服務。除提供免費試樣外,更可根據客戶需求進行量身定制MOS管產品。直接百度輸入“飛虹電子”即可找到我們,免費試樣熱線:400-831-6077。
熱門標簽:FHP640場效應管
返回頂部
400-831-6077
在線留言